聯系人:王經理
銷售電話:15610293837
銷售QQ:2962700085
公司地址:山東省濰坊高新區新城街道玉清社區光電路155號濰坊高新區光電產業加速器(一期)1號樓301

PRODUCT CENTER
聯系人:王經理
銷售電話:15610293837
銷售QQ:2962700085
公司地址:山東省濰坊高新區新城街道玉清社區光電路155號濰坊高新區光電產業加速器(一期)1號樓301
二要素車載氣象站又稱車載氣象站,小型車載式氣象站,二要素車載氣象站采用精密的傳感器和測量技術,能夠提供準確的氣象數據,廣泛應用于交通管理、氣象預警、野外探險等領域。
一、二要素車載氣象站產品簡介
車載氣象站采用精密的傳感器和測量技術,能夠提供準確的氣象數據,車載氣象站廣泛應用于交通管理、氣象預警、野外探險等領域。它可以幫助交通管理部門了解道路上的氣象條件,及時采取相應的措施; 對氣象預警部門來說,車載氣象站可以提供準確的氣象觀測數據,幫助預測和預警惡劣天氣;在野外探險中,車載氣象站可以提供實時的氣象信息,確保安全和順利完成任務。
WX-CZ2車載氣象站是一款高度集成、低功耗、可快速安裝、便于移動監測的高精度自動氣象觀測設備。
廣泛運用于氣象、農林、環保、海洋、機場、港口、科學考察、校園教育等領域。
該設備采用二要素一體式傳感器,可對風速、風向進行實時觀測,傳感器外殼采用進口ABS材質,更有效對抗鹽霧等環境,防護等級達到IP65以上。
標配485轉USB(有線連電腦)、藍牙(無線連安卓手機),可毫秒級采集。選配網卡傳輸,傳輸間隔最低1min。
二、產品特點
1、頂蓋隱藏式超聲波探頭,避免雨雪堆積的干擾,避免自然風遮擋
2、原理為發射連續變頻超聲波信號,通過測量相對相位來檢測風速
3、設備底部配備高強度磁鐵(橡膠包裹),可無損吸附于車頂。
4、減震防護拉桿箱,方便攜帶
5、內置電子羅盤,自動找北
6、北斗與GPS雙模定位,最高精度0.1米
三、技術參數
1、風速:超聲波原理,0~60m/s(±0.1m/s),可測真實風速
2、風向:超聲波原理,0~360°(±2°)
3、數據存儲:不少于50萬條;
4、功耗:1.75W
5、鋰電池:容量12000maH,續航時間≥50h
6、總重量:≤5kg;
7、布設時間:1人,不大于2分鐘完成布設;
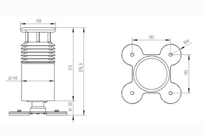
四、尺寸圖

五、上位機軟件介紹
1、PC單機版數據接收、存儲、查看、分析軟件
2、支持串口數據接收、處理、展示
3、支持json字符串、modbus485等通信方式
4、可自設置存儲時間,modbus485采集模式下可自設置采集時間
5、支持自助增加、刪除、修改監測參數的協議、名稱、圖標等
6、支持數據后處理功能
7、支持外置運行javascript腳本
六、安卓APP介紹
1、安卓單機版數據接收、存儲、查看、分析軟件
2、支持藍牙數據接收
3、手機休眠后軟件后臺接收、處理
4、json數據自動添加設備,modbus設備支持掃碼添加設備
5、支持歷史數據查看、分析、導出表格,支持曲線展示、單數據點查看。
6、支持數據后處理功能
7、支持外置運行javascript腳本
七、云平臺介紹 (選配)
1、CS架構軟件平臺,支持手機、PC瀏覽器直接觀測、無需額外安裝軟件。
2、支持多帳號、多設備登錄
3、支持實時數據展示與歷史數據展示儀表板
4、云服務器、云數據存儲,穩定可靠,易于擴展,負載均衡。
5、支持短信報警及閾值設置
6、支持地圖顯示、查看設備信息。
7、支持數據曲線分析
8、支持數據導出表格形式
9、支持數據轉發,HJ-212協議,TCP轉發,http協議等。
10、支持數據后處理功能
11、支持外置運行javascript腳本
WX-PQX10十要素便攜式氣象站的突出特點在于其高度集成的監測能力,十個關鍵氣象要素的同步測量,使使用者能夠一次性獲取全面的環境數據。大尺寸觸摸屏的設計,讓各項數據的查看和操作變得直觀簡單,即使是非專業人員也能快速上手。屏幕采用高亮防眩光技術,在強烈日照下依然清晰可見,解決了戶外設備常見的顯示難題。···
WX-CQ5智能化蟲情監測預警系統通常由傳感器網絡、圖像采集設備、數據傳輸模塊、數據分析與處理中心等多個部分組成。傳感器網絡負責實時監測農田中的環境參數,如溫度、濕度、光照強度等,這些參數對于病蟲害的發生和發展具有重要影響。圖像采集設備則用于捕捉農田中的病蟲害圖像,通過圖像識別技術,系統能夠自動識別并分類病蟲害種類。···
隨著水資源管理和防洪減災需求的日益增長,水文監測工作顯得尤為重要。在此背景下,水位流速流量監測設備以其創新的技術手段,為水文管理開辟了一條全新的道路。WX-SW3水位流速流量監測設備集成了先進的傳感器技術和智能處理系統,能夠實現對水位、流速和流量等關鍵水文參數的實時監測。這些參數是評估水體狀態、預測洪水災···
森林景區中,防腐木外觀的WX-FZ4負氧離子監測系統如同一位謙遜的"空氣品質觀察員",靜靜佇立在自然環境中,與周圍的樹木和諧相融。這些采用木質外觀設計的監測設備,不僅忠實記錄著空氣中負氧離子的濃度變化,更以其質樸的外觀成為景區中一道獨特的風景線。防腐木材質的選用讓負氧離子監測系統與自然環境達成了完···
WX-NQ14農業氣象遠程監測系統通過集成先進的傳感器技術、物聯網通信技術和大數據分析技術,實現了對農業氣象信息的實時監測、遠程傳輸和智能分析。這一系統打破了傳統監測方式的局限,具有全天候、全方位、高精度的監測能力。它能夠實時收集并傳輸氣象數據,為農業生產提供及時、準確的氣象信息支持,有助于農民做出科學的種植決策,提高農業生產效率和產量。···
WX-FLZ50智能生態氣象監測系統,作為現代科技與環境監測的完美結合,不僅能夠實時監測溫度、濕度、風速等常規氣象數據,更能精準測量空氣中負氧離子的含量。這些看似微小的負氧離子,卻擁有著“空氣維生素”的美譽,它們能夠改善人體心肺功能、促進新陳代謝、增強免疫力,是名副其實的“健康使者”。···